台湾奇鋐AVC轴流风扇DFPD0456B2UP0A4产品详情说明:
1)关于商品价格说明:
由于AVC轴流风扇 DFPD0456B2UP0A4产品属于工业行业应用供应链的散热组件,由于货物数量、交付方式和周期(现货、在途现货或期货)的不同,会导致价格差异较大,下单请与客服人员详细确认您所订购的产品详情!产品价格为单个商品的指导零售价,仅供参考。
2)商品参数描述说明:
由于散热风扇产品同样外观尺寸的产品在产品参数性能上差异较大,我们可以根据您的性能需求来定制散热风扇,包括组件线长、接线端子等。
产品参数:
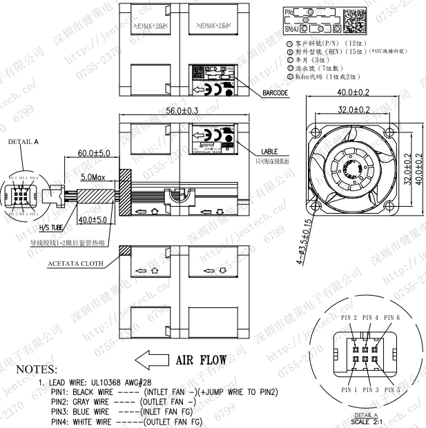
电压类型:AVC轴流风扇DFPD0456B2UP0A4的电压类型为直流(DC)
额定电压:12 V
承载电压:10.8 V~13.2 V
额定电流:2.76 A
额定功率:28.8 W
风扇转速:标准转速23000±10%R.P.M
转速控制类型:PMW脉冲宽度调制控制
信号输出:FG
最大风量:1.02 (0.918 MIN)m³/Min 【36.023 (32.421 MIN)CFM】
最大风压:100.48 (81.388 MIN)mmH₂O 【3.956 (3.204 MIN)inchH₂O】
声学噪声级别: 69.8 (73.8 Max)dB(A)
轴流风扇DFPD0456B2UP0A4产品P&Q曲线:
轴流风扇DFPD0456B2UP0A4产品尺寸图:
服务承诺
我们将秉承“诚信、感恩、严谨、精进”的服务原则,为您提供专业、高效的服务。
关于产品:承诺在产品的细节和各位面上把控到位,满足客户的一切需求,做好品质保证。
关于咨询:我们将提供全方位专业的产品咨询,您可以联系我们的客服了解商品的各项详细内容。关于现货或购买问题确保在2小时内给到您答复;关于应用方案咨询,我们确保在4小时内能给到您一个初步解决方案。
关于售后:如果发现由于我司方面的责任引起的AVC轴流风扇DFPD0456B2UP0A4产品问题,我司在接到通知后,保证在2小时内作出答复,秉着解决问题的原则,我们会全力配合客户做好散热方案的改进。